• E-Mail

    otosafak@otosafak.com.tr

  • Telefon

    +90 326 221 80 72 /+90 555 277 28 33

  • Adres

    Yeni Sanayi Sitesi 6. İniş 2.Cadde

  • Anasayfa
  • Hakkımızda
  • Ürünlerimiz
  • Hizmetlerimiz
    • Bakım & Onarım
    • Jeneratör
  • Galeri
  • İletişim
  • FATİH
  • PRO
  • OTOKAR
  • FORD

PRO 518

PRO 522

PRO 620

PRO 624

PRO 625

PRO 822

PRO 827

PRO 832

PRO 935

PRO 1142

Fatih 110-08

Fatih 170-25

Fatih 180

Fatih 200-26

Fatih 220-26

Fatih 270

Fatih 280

Sultan

Atlas

 

1833

2533

1846

F-Max

  • Anasayfa
  • Hakkımızda
  • Ürünlerimiz
    • Fatih
    • Pro
    • Otokar
  • Hizmetlerimiz
    • Bakım & Onarım
    • Jeneratör
  • Galeri
  • İletişim

PRO 827

  • Anasayfa
  • Ürünlerimiz

PRO 827

  • Hepsi
  • Motor
  • Soğutma Sistemleri
  • Debriyaj
  • Vites Kutusu
  • Kardan Milleri
  • Direksiyon Sistemleri
  • Ön Dingil
  • Arka Dingil
  • Fren
  • Elektrik
  • Şasi & Sürücü Kabini
  • Yakıt Sistemleri

PRO

  • PRO 518
  • PRO 522
  • PRO 620
  • PRO 624
  • PRO 625
  • PRO 822
  • PRO 827
  • PRO 832
  • PRO 935
  • PRO 1142

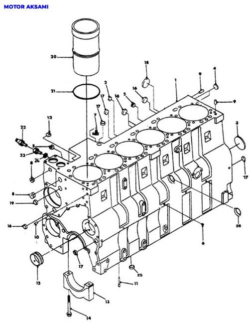
Motor
Aksamı

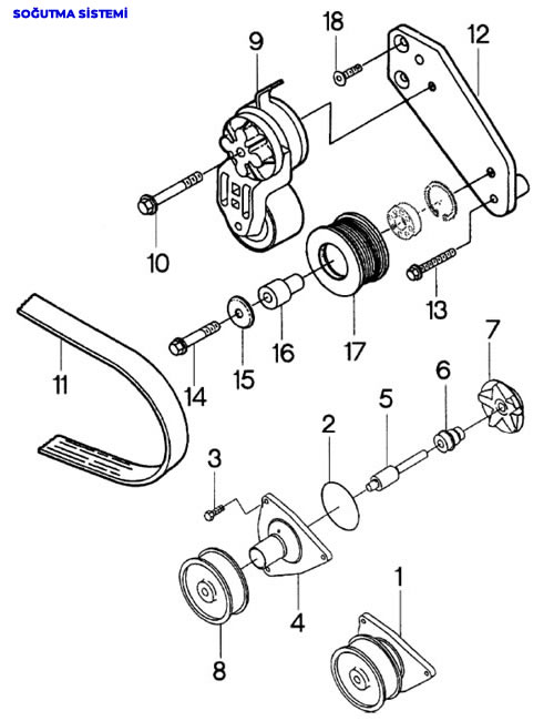
Soğutma Sistemi

Debriyaj
Sistemleri

Vites Kutusu
(Şanzuman)

Kardan
Milleri

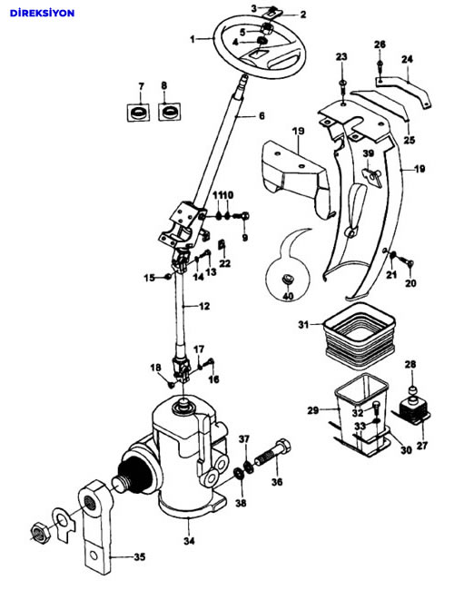
Direksiyon
Sistemleri

Ön
Dingil

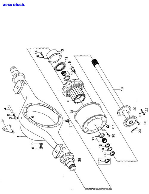
Arka
Dingil

Fren
Sistemleri

Elektrik
Sistemi

Şasi & Sürücü
Kabini

Yakıt
Sistemi

OTO ŞAFAK

Bize Ulaşın

  • Güzelburç Mah. Yeni Sanayi Sitesi 6 . iniş
    2.Cad. No:26/E-1 Antakya / HATAY

  • otosafak@otosafak.com.tr

  • +90 326 221 80 72

    +90 555 277 28 33

    +90 553 313 10 02

Konum

Yol Tarifi

© Copyright 2021. Tüm Hakları Saklıdır.

Design by MuART Web & Tasarım Hizmetleri